DIN VDE 0620-1 Gauge 13 Non-Accessibility Test Gauge for Socket Shutters and Enhanced Protection Sockets

DIN VDE 0620-1 Gauge 13 Non-Accessibility Test Gauge for Socket Shutters and Enhanced Protection Sockets

Product No: GNGPL-6213

Leave a Message






    captcha

    Description

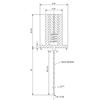
    This DIN VDE 0620-1 Gauge 13 Non-Accessibility Test Gauge is engineered to verify the non-accessibility of live parts in fixed sockets—both through protective shutters and in sockets with enhanced protection degrees—in strict compliance with DIN VDE 0620 series standards. It serves as an essential safety verification instrument for fixed household and similar application sockets, ensuring live components remain inaccessible to prevent electrical shock hazards and maintain operational safety.

    Specifications:

    • Compliance: DIN VDE 0620-1 and DIN VDE 0620-2-1:2021-02 standards
    • Material: Rigid steel wire (Starrer Stahldraht)
    • Dimensions: ø50 mm, ø30 mm, ø1+0.015 mm
    • Radius specification: R=0.05 mm
    • Calibration force: 1 N applied along the axis of the rigid steel wire
    • Force requirement: Minimum 1 N must be maintained during testing procedures
    • Reference planes: A-A’ and B-B’ (for calibration alignment verification)

    Test Procedures:

    1. Calibrate the gauge: Apply a 1 N axial force to the rigid steel wire to align the A-A’ plane practically with the B-B’ plane, confirming the inner spring characteristic meets standard requirements.
    2. Prepare the socket under test: Ensure the socket is in normal, unused condition and meets enhanced protection degree criteria as specified in DIN VDE 0620 standards.
    3. Position the gauge: Align the gauge correctly relative to the socket’s shutter mechanism and live part areas according to standard testing protocols.
    4. Apply test force: Maintain a minimum force of 1 N to the gauge throughout the testing sequence.
    5. Conduct accessibility test: Attempt to access the socket’s live parts through the shutters using the calibrated gauge.
    6. Verify non-accessibility: Confirm the inaccessibility of live parts in enhanced protection degree sockets using the gauge.
    7. Record results: Document test outcomes; the socket passes if no access to live parts is achieved during testing.

    Applications:

    • Safety compliance testing of fixed household sockets to verify shutter effectiveness and live part inaccessibility
    • Verification testing for sockets with enhanced protection degrees according to DIN VDE 0620 requirements
    • Quality control procedures in socket manufacturing facilities
    • Laboratory testing for electrical safety certification
    • Preventive maintenance testing for installed socket systems