DIN VDE 0620-1 Gauge 16b Plug Withdrawal Force Test Gauge for 3P+N+PE AC 400/230V 16A

DIN VDE 0620-1 Gauge 16b Plug Withdrawal Force Test Gauge for 3P+N+PE AC 400/230V 16A

Product No: GNGPL-6216b

Leave a Message






    captcha

    Description

    This DIN VDE 0620-1 Gauge 16b Plug Withdrawal Force Test Gauge is engineered to verify the maximum withdrawal force of 3P+N+PE AC 400/230V 16A plugs, ensuring strict compliance with DIN VDE 0620 series standards. It functions as an essential quality assurance and safety validation instrument for plugs and corresponding fixed sockets in residential and similar applications, guaranteeing secure electrical connections during operation while preventing hazardous disconnections that could result in electrical incidents or equipment failure.

    Specifications:

    • Complies with DIN VDE 0620-1 and DIN VDE 0620-2-1:2021-02 standards
    • Applicable plug type: 3P+N+PE, AC 400/230V 16A
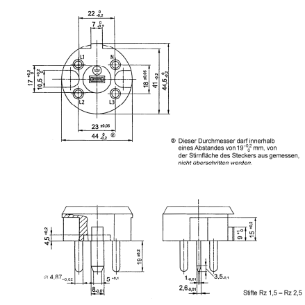
    • Pin surface roughness: Rz 1.5 – Rz 2.5
    • Critical dimensions: 23±0.05 mm; 4.87-0.02 mm; 5+0.1 mm; 3.5 mm; 8.0±0.01 mm; 2.6±0.01 mm
    • Critical dimension requirement: Specified diameter shall not be exceeded when measured 19 mm from the plug’s front face
    • Material composition:
      • Handle: Insulating material (manufacturer-selected type)
      • Body and pins: Hardened stainless steel
      • Additional components: Insulating material (manufacturer-selected type)

    Test Procedures:

    1. Prepare the 3P+N+PE AC 400/230V 16A plug and corresponding socket under test, ensuring both components are in standard, unused condition.
    2. Insert the plug completely into the socket according to intended operational parameters to establish proper electrical contact.
    3. Secure the socket assembly firmly to prevent displacement during force application.
    4. Attach the test gauge to the plug with precise alignment to the force application vector specified in the standard.
    5. Apply gradually increasing tensile force to the plug via the gauge, maintaining consistent force application rate.
    6. Continuously monitor and record the maximum force required to disengage the plug from the socket.
    7. Compare recorded maximum withdrawal force values against standard-specified compliance thresholds to determine pass/fail status.

    Applications:

    • Quality control laboratories
    • 33ing facilities
    • Manufacturing quality assurance departments
    • Third-party certification bodies
    • Research and development testing